Das Grohe Duschsystem Tempesta Cosmopolitan wertet Ihre Dusche elegant auf. Die hochwertige Grohe StarLight Oberfläche in Chrom überzeugt mit einer sanften Linienführung und passt sich harmonisch nahezu jedem Badezimmer an. Die StarLight Oberfläche sieht nicht nur besonders gut aus, sondern ist auch sehr resistent gegenüber Kratzern und von daher sehr pflegeleicht. Wischen Sie die Oberfläche einfach mit einem Tuch ab und schon erstrahlt das Chrom wieder in gewohntem Glanz. Durch die Kombination aus Handbrause und Regendusche ist das Duschsystem flexibel einsetzbar.
Umfangreiches Brausesystem
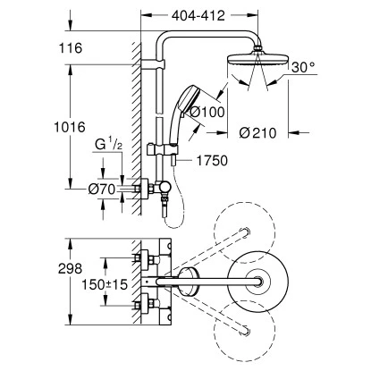
Die stilsichere Handbrause Tempesta C 100 mm liegt gut in der Hand und lässt sich über ein Gleitelement in der Höhe verstellen. Außerdem lässt sich die Brause leicht aus dem Gleitelement zur gezielten Körperpflege entnehmen. Dank Grohe DreamSpray erzeugt die Handbrause einen perfekt verteilten Wasserstrahl, der sehr angenehm auf die Haut wirkt. Dabei lässt sich die Brause besonders leicht von Kalk befreien. Durch das Antikalk-System SpeedClean lassen sich Kalkablagerungen an den Düsen einfach mit dem Finger abwischen. Gleiches gilt für die verstellbare Kopfbrause, die dank Kugelgelenk einen Drehwinkel von 15° hat. Das Duschsystem verfügt über zwei Strahlarten. Die Option Rain sorgt für ein angenehmes Sommerregengefühl. Der Jet-Strahl erzeugt einen festen massierenden Strahl. Für mehr Flexibilität sorgt der 390 mm lange Duscharm, der um 180° schwenkbar ist. Das Duschsystem wird erweitert durch einen Rotaflex-Brauseschlauch mit 1.750 mm Länge. Die TwistFree Funktion sorgt dafür, dass sich die Brause immer mit Ihnen mit dreht. Dadurch wird lästiges verheddern des Brauseschlauchs verhindert.
Hochwertige Thermostatbatterie
Das Duschsystem verfügt über eine passende Thermostatbatterie mit TurboStat Kompaktkartusche zur direkten und einfachen Temperaturregulation. So lassen sich Wassermenge und Temperatur kinderleicht anpassen. Dank der Grohe SafeStop Sicherheitssperre bei 38° C wird verhindert, dass sich das Wasser ungewollt zu stark erhitzt. Die Sperre lässt sich individuell bis 43° C erweitern.
Wasser sparen mit Grohe EcoJoy
Dank Grohe EcoJoy sparen Sie dauerhaft Wasser. Durch den Durchflussmengenbegrenzer können Sie die Durchflussmenge auf bis zu 7 l/min begrenzen. Ein Durchflusskonstanthalter sorgt dafür, dass die die Durchflussmenge gehalten wird. So sparen Sie Strom und schonen gleichzeitig Ihre Umwelt.
Duschsystem
Handbrause Tempesta C 100 mm
Kopfbrause Tempesta 210 mm mit schwenkbarem Durscharm 390 mm
Aufputz-Thermostatbatterie
Rotaflex-Brauseschlauch 1.750 mm
Für Durchlauferhitzer ab 18 kW/h und die Wandmontage geeignet.

















Rezensionen
Es gibt noch keine Rezensionen.